本原创教程由芯驿电子科技(上海)有限公司(ALINX)创作,版权归本公司所有,如需转载,需授权并注明出处(alinx.com)。
1. 实验简介
本实验将采用500万像素的OV5640摄像头模组(模块型号:AN5640)为大家显示更高分辨率的视频画面。OV5640摄像头模组最大支持QSXGA (2592x1944)的拍照功能,支持1080P、720P、VGA、QVGA视频图像输出。本实验将OV5640配置为RGB565输出,先将视频数据写入外部存储器,再从外部存储器读取送到VGA、LCD等显示模块。
2.实验原理
2.1 OV5640传感器简介
OV5640摄像头模组采用美国OmniVision(豪威)CMOS芯片图像传感器OV5640,支持自动对焦的功能。OV5640芯片支持DVP 和MIPI 接口,本实验所用 OV5640摄像头模组通过DVP接口和FPGA连接实现图像的传输。
2.2 OV5640的参数说明
像素:硬件像素500W;
感光芯片:OV5640;
感光尺寸:1/4;
功能支持:自动对焦, 自动曝光控制(AEC),自动白平衡(AWB);
图像格式 : RAW RGB, RGB565/555/444, YUV422/420和JPEG压缩;
捕获画面:QSXGA(2592x1944), 1080p, 1280x960, VGA(640x480), QVGA(320x240);
工作温度:-30~70℃, 稳定工作温度为0~50℃
2.3 OV5640的寄存器配置
OV5640的寄存器配置是通过FPGA的I2C(也称为SCCB接口)接口来配置。用户需要配置正确的寄存器值让OV5640输出我们需要的图像格式,实验中我们把摄像头输出分辨率和显示设备分辨率配置成一样的, OV5640的摄像头输出的数据格式在以下的0x4300的寄存器里配置,在我们的例程中OV5640配置成RGB565的输出格式。
关于OV5640的寄存器还有很多很多,但很多寄存器用户无需去了解,寄存器的配置用户可以按照OV5640的应用指南来配置就可以了。如果您想了解更多的寄存器的信息,可以参考OV5640的datasheet中的寄存器说明。
2.4 OV5640的RGB565输出格式
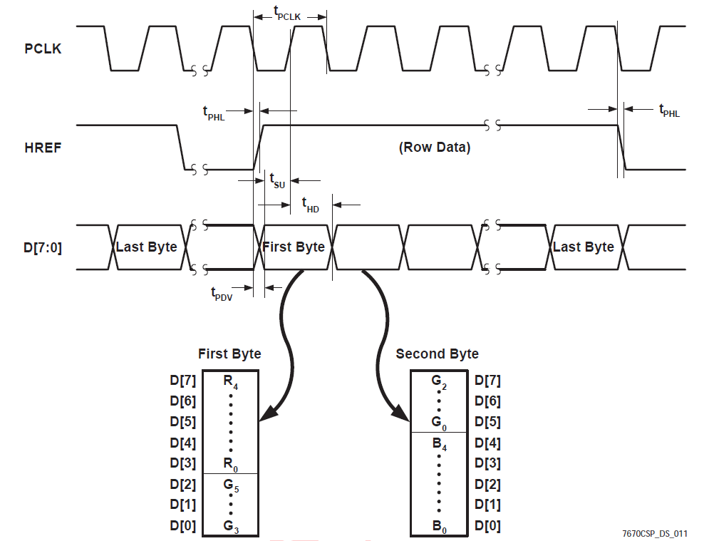
OV5640在HREF信号为高时输出一行的图像数据,输出数据在PCLK的上升沿的时候有效。因为RGB565显示每个像数为16bit, 但OV5640每个PCLK输出的是8bit,所以每个图像的像数分两次输出,第一个Byte输出为R4~R0和G5~G3, 第二个Byte输出为G2~G0和B4~B0,将前后2个字节拼接起来就是16Bit RGB565数据。
3. 程序设计
前面的实验已经为本实验做了大量的铺垫,包括I2C寄存器的配置、外部存储器的读写,本程序一个比较关键的地方在于视频同时读写,如何做到读写不冲突?在设计帧读写模块时就已经考虑到这点,所以有帧基地址选择,最大4帧选择,每次读视频帧地址和正在写的帧地址是不同的,而是上次写入一帧数据的地址,这样就可以避免读写冲突,避免视频画面裂开错位。
cmos_8_16bit模块完成摄像头输入的2个8bit数据转换到一个16bit数据(一个像素),数据位宽变成2倍,时钟频率不变,所以16bit数据是隔一个时钟周期有效,并不是每个时钟一直有效。
| 信号名称 | 方向 | 说明 |
| rst | in | 异步复位输入,高复位 |
| pclk | in | 传感器像素时钟输入 |
| pdata_i | in | 传感器8bit数据输入 |
| de_i | in | 数据有效(HREF) |
| pdata_o | out | 16bit数据输出 |
| hblank | out | de_i延时一个时钟周期 |
| de_o | out | 数据输出有效 |
cmos_8_16bit模块端口
cmos_write_req_gen模块通过判断摄像头的列同步信号cmos_vsync的上升沿,生成ov5640数据写入的请求信号,表示一帧图像开始写入请求。另外生成write_addr_index写地址选择和read_addr_index读地址选择,这里read_addr_index的值会比write_addr_index的值延迟一帧,使得读和写的地址不冲突。
| 信号名称 | 方向 | 说明 |
| rst | in | 异步复位输入,高复位 |
| pclk | in | 传感器像素时钟输入 |
| cmos_vsync | in | 场同步输入,每一帧视频都会变化一次,可以用于一帧的开始或结束 |
| write_req | out | 写数据请求 |
| write_addr_index | out | 写帧地址选择 |
| read_addr_index | out | 读帧地址选择 |
| write_req_ack | in | 写请求应答 |
cmos_write_req_gen模块端口
frame_read_write模块我们已经在前面的例程中使用过,在这里就是把摄像头采集的数据存入写FIFO里,然后产生DDR3的Burst写请求,写入到DDR3中,另外读也是一样,当读FIFO里的数据小于一定值时,产生DDR3的Burst读请求。在这里我们实例化了2个frame_read_write模块,分别对应2路视频的数据存储和读取。这里每路视频的DDR3的存储地址是不一样的。
第一路视频的存储地址如下:
第二路视频的存储地址如下:
video_rect_read_data模块功能跟HDMI字符显示osd_display模块的功能类似,本例程中是把从DDR3里读取的视频图像跟彩条图像叠加,因为ax7035使用的是双目摄像头,所以需要调用2个video_rect_read_data模块。
| 信号名称 | 方向 | 说明 |
| video_clk | in | 视频的像素时钟 |
| rst | in | 复位信号 |
| video_left_offset | in | 视频显示的水平偏移地址 |
| video_top_offset | in | 视频显示的垂直偏移地址 |
| video_width | in | 视频的宽度 |
| video_height | in | 视频的高度 |
| read_req | out | 读一帧图像数据请求 |
| read_req _ack | in | 读请求应答 |
| read_en | out | 读数据使能 |
| read_data | in | 读到的数据 |
| timing_hs | in | 输入的行同步信号 |
| timing_vs | in | 输入的列同步信号 |
| timing_de | in | 输入的数据有效信号 |
| timing_data | in | 输入的数据信号 |
| hs | out | 输出的行同步信号 |
| vs | out | 输出的列同步信号 |
| de | out | 输出的数据有效信号 |
| vout_data | out | 输出的数据信号 |
4. 实验现象
1)将摄像头模块插入开发板,保证1脚对齐,1脚在焊盘形状和其他引脚是有明显区别的,是方形的。
AN5640摄像头模块连接开发板连接图
AN5642摄像头模块连接开发板连接图
2)如果使用HDMI来显示,连接好HDMI显示器,如果使用液晶屏显示,插入液晶屏模块,连接方法在《HDMI测试实验教程》中已讲述。
3)下载实验程序,可以看到摄像头模块输出的视频。注意:ov5640模块焦距是可调的,如果焦距不合适,图像会模糊,旋转镜头,可以调节焦距。摄像头模块要轻拿轻放,不要用手触摸元器件。
实验效果图







