半导体发光二极管工作原理
发光二极管,通常称为LED,是在电子学世界里面的真正无名英雄。它们做了许多不同工作和在各种各样的设备都可以看见它的存在。
基本上,发光二极管只是一个微小的电灯泡。但不像常见的白炽灯泡,发光二极管没有灯丝,而且又不会特别热。它单单是由半导体材料里的电子移动而使它发光。
什么是二极管
二极管是半导体设备中的一种最常见的器件,大多数半导体最是由搀杂半导体材料制成(原子和其它物质)发光二极管导体材料通常都是铝砷化稼,在纯铝砷化稼中,所有的原子都完美的与它们的邻居结合,没有留下自由电子连接电流。在搀杂物质中,额外的原子改变电平衡,不是增加自由电子就是创造电子可以通过的空穴。这两样额外的条件都使得材料更具传导性。带额外电子的半导体叫做N型半导体,由于它带有额外负电粒子,所以在N型半导体材料中,自由电子是从负电区域向正电区域流动。带额外“电子空穴”的半导体叫做P型半导体,由于带有正电粒子。电子可以从另一个电子空穴跳向另一个电子空穴,从从负电区域向正电区域流动。
因此,电子空穴本身就显示出是从正电区域流向负电区域。二极管是由N型半导体物质与P型半导体物质结合,每端都带电子。这样排列使电流只能从一个方向流动。当没有电压通过二极管时,电子就沿着过渡层之间的汇合处从N型半导体流向P型半导体,从而形成一个损耗区。在损耗区中,半导体物质会回复到它原来的绝缘状态--所有的这些“电子空穴”都会被填满,所有就没有自由电子或电子真空区和电流不能流动。
为了除掉损耗区就必须使N型向P型移动和空穴应反向移动。为了达到目的,连接二极管N型一方到电流的负极和P型就连接到电流的正极。这时在N型物质的自由电子会被负极电子排斥和吸引到正极电子。在P型物质中的电子空穴就移向另一方向。当电压在电子之间足够高的时候,在损耗区的电子将会在它的电子空穴中和再次开始自由移动。损耗区消失,电流流通过二极管。
如果尝试使电流向其它方向流动,P型端就边接到电流负极和N型连接到正极,这时电流将不会流动。N型物质的负极电子被吸引到正极电子。P型物质的正极电子空穴被吸引到负极电子。因为电子空穴和电子都向错误的方向移动所以就没有电流流通过汇合处,损耗区增加。
为什么二极管会发光
光是能量的一种形式,一种可以被原子释放出来。是由许多有能量和动力但没质量的微小粒子似的小捆组成的。这些粒子被叫做光子,是光的最基本单位。光子是因为电子移动才释放出来。在原子中,电子在原子的四周围以轨道形式移动。电子在不同的轨函数有着不同等的能量。通常来说,有着更大能量的电子以轨道移动远离了核子。当电子从一个更低的轨道跳到一个更高的轨道,能量水平就增高,反过来,当从更高轨函数跌落到更低的轨函数里时电子就会释放能量。能量是以光子形式释放出来的。更高能量下降释放更高能量的光子,它的特点在于它的高频率。
自由电子从P型层通过二极管落入空的电子空穴。这包含从传导带跌落到一个更低的轨函数,所以电子就是以光子形式释放能量。这在任何二极管里都会发生的,当二极管是由某种物质组成的时候,你只是可以看见光子。在标准硅二极管的原子,比如说,当电子跌落到相对短距离原子是以这样的方式排列。结果,由于电子频率这么低的情况下人的眼睛是无法看得到的。
可见光发光二极管,比如用在数字显示式时钟的,间隙的大小决定了光子的频率,换句话说就是决定了光的色彩。当所有二极管都发出光时,大多数都不是很有效的。在普通二极管里,半导体材料本身吸引大量的光能而结束。发光二极管是由一个塑性灯泡覆盖集中灯光在一个特定方向。
半导体发光二极管工作原理、特性及应用
半导体发光器件包括半导体发光二极管(LED)、数字管、符号管、仪表管和点阵显示器(称为矩阵管)。事实上,数字管、符号管、仪表管和矩阵管中的每个发光单元都是发光二极管。
1。半导体发光二极管的工作原理、特点及应用(1)LED发光原理。
发光二极管是由IIA-Ⅳ化合物半导体制成的,如GaAs(沈华佳)、GaP(GaP磷化物)、GaAsP(phosphor Shen Huajia)等半导体,其核心是PN结。因此,它具有一般p-n结的i-n特性,即正向传导、反向截止和击穿特性。此外,在一定条件下,它还具有发光性能。在正电压下,电子从N区注入P区,空穴从P区注入N区。在另一个区域中,少数载体(少数)与大多数载体(多个)结合发光,如图1所示。

假设发光发生在P区,注入的电子直接与价带孔和光结合,或者首先由发光中心捕获,然后与空穴结合。除了这种发光复合,一些电子被非发光中心捕获(中心位于导带的中间和中间带的中间),然后与空穴复合,并且每个释放的能量小,可见光不能。形成。发光化合物与非发光化合物的比例越大,光量子效率越高。由于复合在少数扩散区中是发光的,光仅发生在pn结附近的m个数内。
理论和实践证明,光的峰值波长λ与发光材料中的半导体材料的带隙EG有关。
λ1240/EG(mm)
公式中的EG单位是EV(电子伏特)。如果能产生可见光(在380nm紫外光到780nm红光),则半导体材料的EG应介于3.26和1.63eV之间。红灯的长光是红外光。红外、红色、黄色、绿色和蓝色发光二极管现在是可用的,但蓝光二极管昂贵和昂贵的使用。
(二)LED的特性
1的意义。极限参数
(1)允许功率PM:添加到LED两端的正DC电压和流过它的电流的最大值。超过这个值,LED是热的和损坏的。
(2)最大正向直流IFM:允许添加的最大正DC电流。超过这个值会损坏二极管。
(3)最大反向电压VRM:允许的最大反向电压。如果超过此值,则可能损坏LED。
(4)LED工作环境的环境温度范围:LED可以正常工作。低于或高于温度范围,LED将无法正常工作,并将大大降低效率。
2的意义。电参数
(1)光谱分布和峰值波长:发光二极管产生的光不是单一波长,其波生长体如图2所示。

从图中可以看出λ0波长的强度最大,波长是峰值波长。
(2)发光强度IV:发光二极管的发光强度通常是指在正常线方向上的光强(对于圆柱形发光管是其轴线)。如果在这个方向上的辐射强度为(1/683)W/Sr,那么发光是1烛光(符号CD)。由于一般LED的发光强度为2,发光强度通常为坎德拉(MCD)。
(3)光谱半宽度(1/2):表示发光管的光谱纯度。它指的是与图3中光的峰值强度相对应的两个波长之间的差异。
(4)半值角θ1/2和视角:θ1/2是光强值的方向与轴向强度值的轴向(法线方向)之间的夹角。
半值角的2倍是视角(或半功角)。

图3示出了两种不同类型LED的发光强度的角分布。垂直(正常)AO的坐标是相对发光强度,即发光强度与最大发光强度的比值。显然,法线方向的相对发光强度为1,从法线方向的角度越大,相对发光强度越小。这个图形可以得到一个半值角或一个视角。
(5)正向工作电流IF:指LED正常时的正向值。在实际使用中,如果应选择低于0.6的IFM。
(6)正向工作电压VF:在给定的正向电流下获得参数表中的工作电压。一般来说,它是在IF=20mA下测量的。在VF下,发光二极管的正向电压为1.4~3V。当外界温度升高时,VF就会下降。
(7)V-I特性:LED的电压和电流之间的关系如图4所示。

当正向电压小于某一值(称为阈值)时,电流非常小并且不发光。当电压超过一定值时,正向电流随着电压的增加而迅速增加,并被照亮。LED的正向电压、反向电流和反向电压可以从V-I曲线得到。前向发光管的反向漏电流低于IR<10μA。
(三)LED的分类
1。根据发光管的发光颜色
根据发光管的发光颜色,可分为红、橙、绿(再分为黄绿色、标准绿、纯绿)、蓝光等。此外,一些发光二极管包含两个或三个彩色芯片。
发光二极管可以分为四种类型,它们是透明的、无色的、透明的、有色的、有色的和无色的。散射的发光二极管用于引导灯。
2。光发射管的光表面特性
根据发光管、圆灯、方形灯、矩形、表面发光管、侧管、表面安装微型管等特点,将圆灯分为直径2mm、φ4.4mm、φ5mm、φ8mm、φ10mm和φ20mm AC。根据直径。在国外,3mm的发光二极管通常被记录为T-1;PHI 5mm被记录为T-1(3/4);4.4mm被记录为T-1(1/4)。
圆形发光强度的角分布可以从半值角的大小来估计。从发光强度的角度分布可分为三类。
(1)高指向性。通常,它是尖端环氧封装或金属反射器腔封装,而不添加散射剂。半值角为5°~20°或更小,具有很高的方向性。它可作为局部照明光源或与光探测器结合形成自动检测系统。
(2)标准型。通常用作指示灯,其半角为20至45度。
(3)散射型。这是一个大角度指示器,具有45到90度或更大的半角,以及更大的散射剂。
三。根据发光二极管的结构
根据发光二极管的结构,它具有全环氧封装、金属基环氧封装、陶瓷基环氧封装和玻璃封装。
4。根据发光强度和工作电流
将光强和工作电流分为普通亮度的LED(光强<10MCD)、超高亮度(>100MCD)LED和10~100MCD的高亮度发光二极管。
一般来说,LED的工作电流在10毫安到几十毫安的范围内,而低电流LED的工作电流低于2mA(与普通发光管相同的亮度)。
除了上述分类方法之外,还存在对芯片材料进行分类并根据它们的功能进行分类的方法。
(四)LED的应用
由于发光二极管的颜色、尺寸、形状、发光强度和透明性,应根据实际需要适当选择发光二极管的使用。
由于LED具有最大正电流IFM和最大反向电压VRM,所以在使用时应保证不超过此值。为了安全起见,实际的IF应低于0.6IFM;应允许反向电压VR<0.6VRM。
LED广泛应用于电子设备和电子设备中。可作为功率指示器、电平指示器或微型光源。红外光管经常用于电视机、录像机等的遥控。
(1)使用高亮度或超高亮度LED制作微光手电筒电路,如图5所示。图中电阻R限流电阻器应确保当电源电压最高时,LED的电流应小于最大允许电流IFM。

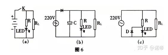
(2)图6(a)、(b)、(c)分别为直流电源、整流电源和交流电源指示电路。
图(a)中的电阻(E-VF)/IF;
R1.4VIVF(1.4VIVF)/IF在图(B)中;
图中的R VI/IF(C)
在公式中,Vi-AC电压值。

(3)单LED电平指示电路。在放大器、振荡器或脉冲数字电路的输出端,LED可以用来指示输出信号是否正常,如图7所示。R是限流电阻器。只有当输出电压大于LED阈值电压时,LED才能够发光。

(4)单LED可作为低压稳压器使用。当LED被接通时,电流随电压变化非常快。具有稳压稳压的特点。LED的稳定电压在1.4~3V之间,如图8所示,应根据需要选择VF。
(5)水平表。目前,LED液位计被广泛应用于音频设备中。它使用多个发光管来指示输出信号电平,即发光二极管的数目不同,这意味着输出电平改变。
改变。图9是由5个发光二极管组成的液位表。当输入信号电平很低时,它不发光。当输入信号电平增加时,第一LeD1是亮的,然后增加LeD2。

(五)发光二极管的检测
检出率为1。普通发光二极管
(1)使用万用表进行测试。X万欧姆指针式万用表可以大致判断LED的质量。正常情况下,二极管的正电阻为几十~200K欧姆,反向电阻值为零。如果正向电阻为0或为零,则反向电阻值非常小或0,因此很容易损坏。这种测试方法不能看到发光管的发光,因为10K LED不能向管提供大的正向电流。
如果你有两个指针万用表(最好是同一类型),你可以更好地检查LED的发光情况。将万用表之一的“+”端子与另一表的“-”端子连接。剩余的“-”笔连接到发光管的正极(P区),剩余的“+”笔连接到发光管的负极(N区)。两个万用表都设置为10Ω。在正常情况下,它将能够在连接后正常发光。如果亮度很低,或者甚至不亮,两个万用表可以分配给X 1Ω,如果它仍然是黑暗的,甚至不发光,则表明LED是坏的或损坏的。需要注意的是,在测量开始时,两个万用表不能放置在1欧姆中,以避免过大的电流和损坏LED。
(2)外部电源测量。使用3V电压调节器或两系列干电池和万用表(指针或数字),可以更精确地测量LED的光和电特性。为此,连接电路可以在图10中示出。如果VF测量在1.4和3V之间,并且发光亮度是正常的,则可以指示发光是正常的。如果测量VF=0或VF 3V,并且它不发光,则发光管被破坏。

检出率为2。红外发光二极管
由于红外发光二极管发射出1~3微米的红外光,人眼看不到。通常,单个红外光发射二极管的发射功率仅为MW,不同类型的红外LED的强度角分布也不同。红外LED的正压降一般为1.3~2.5V,这是因为它发射的不可见红外光,可见光LED的检测方法只能用来判断PN结的正反电性能是否正常,但它是。不可能确定它们的发光是否正常。为此,最好准备一个光敏器件,如2Cr和2DR硅光电池,作为接收器。使用万用表测量电池两端电压的变化。确定在适当的正向电流之后是否发射红外LED。其测量电路如图11所示。

二、LED显示结构及分类
LED芯片的正确连接(包括串并联)和适当的光学结构。可以形成发光显示器的发光部分或发光点。这些发光部分或发光点可用于形成数字管、符号管、米管、矩阵管、水平显示管等。通常,数码管、符号管和仪表管通常被称为笔显示器,笔画显示器和矩阵管统称为字符显示器。
(1)LED显示结构
基本半导体数字管由图12中布置的七个条形发光二极管芯片构成。可以实现0~9的显示。其具体结构包括“反射盖型”、“条七段式”和“单片多位式”。

(1)反射式钟型数码管通常采用白色塑料制成具有反射腔的七段壳体,在反射板七反射腔对面的印刷电路板上安装一个LED。每个反射腔的中心是LED芯片。在加载反射器之前,在芯片和印刷电路上连接芯片和相应金属带之间的30μm的硅铝线或金属引线,将环氧树脂滴入反射器中,然后将带有芯片的印刷电路板粘接到反射器上。然后再凝固。
反射镜式数码管封装有两种方法。使用散射剂和染料的环氧树脂被用在一个或两个位置装置中。为了提高器件的可靠性,必须在芯片和底板上涂覆透明绝缘胶,以提高器件的可靠性。这也可以提高光学效率。这种方法通常用于四位以上的数字显示(或符号显示)。
(2)带状七段数码管是一种混合封装。它是一种用于芯的磷化镓或磷化镓晶片,它被分为一个或几个LED发光条,然后将相同的七个棒粘接到日常的“伐木”框架上,并且内引线与压力焊接过程连接,并且环氧树脂被密封。
(3)单片多数字显示在发光材料基片(大圆片)上。利用集成电路技术制作了大量的七个数字显示图形。通过切屑选择合格的芯片。对应件连接在印刷电路板上,通过压力焊接工艺引出引线,并在其上覆盖“鱼眼透镜”外壳。它们适用于小型数字仪表。
(4)符号管和米形管与数字管相似。
(5)还可以采用单片集成多数字显示技术来制作矩阵管(发光二极管点阵)。
(二)LED显示屏的分类
(1)根据高分:笔画显示字的最小高度为1mm(单片多数字管字符一般为2~3mm)。其他类型的中风显示器可以达到12.7毫米(0.5英寸),甚至数百毫米。
(2)有红、橙、黄、绿三种颜色。
(3)根据该结构,它具有反射盖型、单七段和单片集成。
(4)从各发光部的连接方式看,共有两个共同的阳极和共同的阴极。
所谓的“普通杨”模式是指显示器的每个部分的阳极(P面积),这是常见的,而阴极是相互隔离的。
常见的阴模是显示器各部分的发光管的阴极,也就是说,N区是常见的,而阳极是相互隔离的。如图13所示。

(三)LED显示参数
由于LED显示器是基于LED的,其光学、电气和限制参数最类似于发光二极管。然而,由于LED显示器中有许多发光二极管,所以有如下特殊参数:
1。发光强度比
由于数字管的截面在相同的驱动电压下具有不同的正向电流,所以每个部分的强度是不同的。所有光强的最大值和最小值之间的比值是发光强度的比率。该比值可以在1.5和2.3之间,最大值不应超过2.5。
2。脉冲正向电流
如果笔显示器的每个典型正向工作电流为IF,则正向电流可比脉冲下的电流大得多。占空比越小,脉冲的正向电流越大。
(四)LED显示屏应用指南
1。七段数字显示
(1)如果数字航空是一种常见的阳极形式,其驱动阶段应该是集电极开路(OC)结构,如图14(a)所示。
如果数字管是公共阴极,其驱动电平应该是发射极输出或源输出电路,如图14(b)所示。